FCPOWERUP LogoFCPOWERUP Logo
当前阅读进度 0%
返回目录

ATX 3.0 Power Excursion Test:海韵Seasonic FOCUS GX 1000 ATX3.1

电源序列号:R2603AA1C3501996
模块状态(测试结果):PASS

ATX 3.0 Power Excursion 测试数据

负载条件 12V Min (V) 12V Max Load (A) 峰值输出功率 (W) 12V Max (V) 12V Min Load (A) 持续输出功率 (W) 12V 电压参考范围 结果
200% Peak,
5% Duty Cycle,
100us/1900us
11.890159.122000.0012.57068.93917.66Intel ATX 3.0 spec: 11.2 ~ 12.6VPASS
180% Peak,
8% Duty Cycle,
1ms/11.5ms
11.950142.461800.0012.52067.23897.34Intel ATX 3.0 spec: 11.2 ~ 12.6VPASS
160% Peak,
12.5% Duty Cycle,
10ms/70ms
12.000125.791600.0012.45065.92881.56Intel ATX 3.0 spec: 11.2 ~ 12.6VPASS
120% Peak,
25% Duty Cycle,
100ms/300ms
12.13092.461200.0012.35069.44923.76Intel ATX 3.0 spec: 11.2 ~ 12.6VPASS
PCIe 12V-2x6
600W 3x Dynamic,
5% Duty Cycle,
100us/1900us
ATX3.0-12V-2x6
11.550159.122000.0012.32068.93917.66Intel ATX 3.0 spec: 11.2 ~ 12.6V | PCIe 5.0 spec: 11.04 ~ 12.6VPASS

示波器截图

200% Peak,
5% Duty Cycle,
100us/1900us
12V Min 11.890V12V Max 12.570VPASS
180% Peak,
8% Duty Cycle,
1ms/11.5ms
12V Min 11.950V12V Max 12.520VPASS
160% Peak,
12.5% Duty Cycle,
10ms/70ms
12V Min 12.000V12V Max 12.450VPASS
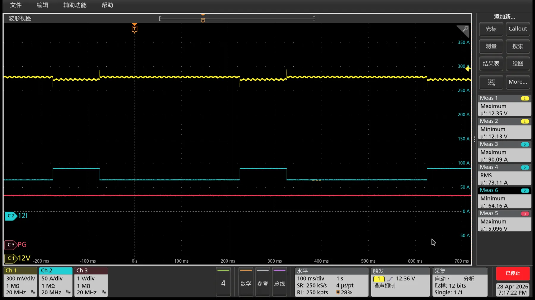
120% Peak,
25% Duty Cycle,
100ms/300ms
12V Min 12.130V12V Max 12.350VPASS
PCIe 12V-2x6
600W 3x Dynamic,
5% Duty Cycle,
100us/1900us
ATX3.0-12V-2x6
12V Min 11.550V12V Max 12.320VPASS